Industry application
OBC
Application Overview
OBC Application Overview

OBC (on board charging) is mainly used for fast charging of EV battery packs. Responsible for converting the high-voltage AC input from the power grid into low-voltage DC power and quickly charging the EV battery pack.


OBC
Application System Diagram
OBC Application System Diagram
OBC
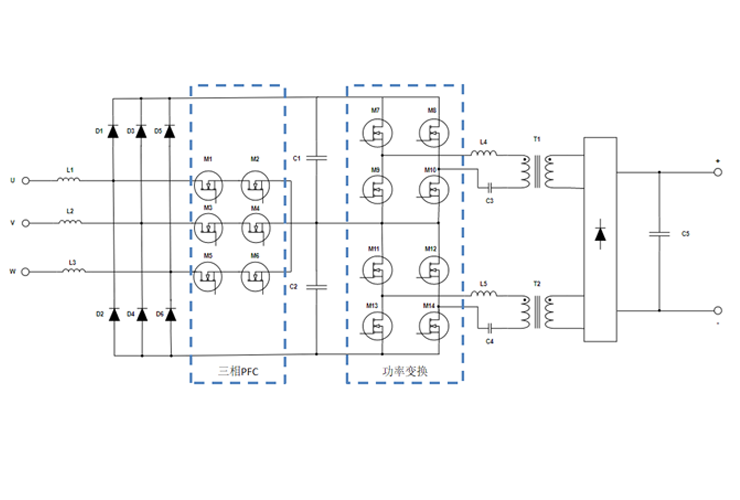
Application Topology Diagram
OBC Application Topology Diagram
OBC
Recommended Products

IGBT Discretes Product List

Part Number VCE(V) Ic(A)@100℃ Vcesat(V) @25℃
typ
Eon(mJ) Eoff(mJ) Package Datasheet
MPBW50N65ED 650 50 1.6 0.9 1.12 TO-247 Download