Industry application
Induction heating
Application Overview
Induction heating Application Overview

The working principle of a high-temperature furnace is based on heat conduction and radiation heat transfer. The heat generated by the heating element is transferred to the furnace body and materials, causing furnace body temperature to rise. The inner control system plays a crucial role in achieving precise temperature control.

 

The core component of the control system is IGBT, and heat dissipation, switch losses, overvoltage, and other issues should be considered during power device work. For high-temperature furnaces with 8KW and higher power, half bridge or full bridge circuits are generally used to achieve high-power output, and the general IGBT modules utilize specification of 1200V 150A/200A.


Induction heating
Application System Diagram
Induction heating Application System Diagram
Induction heating
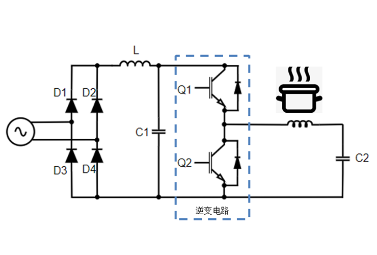
Application Topology Diagram
Induction heating Application Topology Diagram
Induction heating
Recommended Products

IGBT Modules Product List

Part Number VCE(V) Ic(A)@100℃ Vcesat(V) @25℃
typ
Eon(mJ) Eoff(mJ) Package Datasheet
MPFF300R12KB 1200 300 1.87 14.96 18.91 62mm module Download
MPFF200R12RB 1200 200 2.26 22.7 17.1 34mm module Download
MPFF200R12KB 1200 200 2 2 12.1 62mm module Download
MPFF150R12RB 1200 150 2 3.6 8.7 34mm module Download
MPFF100R12RB 1200 100 1.95 6.87 5.44 34mm module Download
MPFF75R12RB 1200 75 2 5.4 4.1 34mm module Download
MPFF50R12RB 1200 50 1.9 3.58 1.7 34mm module Download