Industry application

行业应用

感应加热
应用概述
感应加热应用概述

高温炉的工作原理基于热传导和辐射传热的原理。 通过加热元件产生的热量,通过热传导和辐射的方式传递给炉体和材料,使其温度升高。 控制系统起着关键的作用,用于实现对温度的精确控制。


其核心部件为IGBT,在应用时要考虑到大电流时候散热、开关损耗、过压等问题。对于8KW及更大功率的高温炉一般采用半桥或全桥电路来实现大功率输出,IGBT多采用150A/200A 1200V的两单元模块。


感应加热
应用系统图
感应加热应用系统图
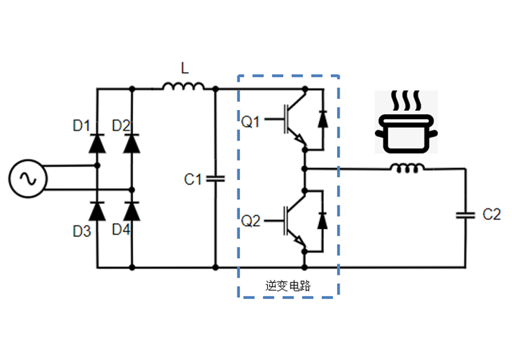
感应加热
应用拓扑图
感应加热应用拓扑图
感应加热
推荐产品

IGBT模块产品清单

Part Number VCE(V) Ic(A)@100℃ Vcesat(V) @25℃
typ
Eon(mJ) Eoff(mJ) Package Datasheet
MPFF50R12RB 1200 50 1.9 3.58 1.7 34mm module Download
MPFF75R12RB 1200 75 2 5.4 4.1 34mm module Download
MPFF100R12RB 1200 100 1.95 6.87 5.44 34mm module Download
MPFF150R12KB 1200 150 1.81 9.4 7.39 62mm module Download
MPFF150R12RB 1200 150 2 3.6 8.7 34mm module Download
MPFF200R12KB 1200 200 2 2 12.1 62mm module Download
MPFF200R12RB 1200 200 2.26 22.7 17.1 34mm module Download
MPFF300R12KB 1200 300 1.87 14.96 18.91 62mm module Download